티스토리 뷰
목차
반응형
1) ESD 정의
- 정전기 방전 현상을 뜻합니다.
- 반도체 부품의 주요 ESD 불량: 절연 파괴(dielectric breakdown), 금속선 손상(metallization damage), P-N 접합 불량(P-N junction failure), 가스아크방전(gaseous arc discharge) 등
2) ESD 평가 고려사항
- 부품의 생산, 저장 및 사용 환경에서 크기 또는 발생 빈도의 ESD가 발생하는지를 알아야합니다.
- 부품이 손상을 받을 수 있는 ESD 전압 레벨을 고려해야합니다. 즉, 불량임계치를 시험을 통하여 평가하는 것입니다.
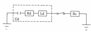
3) ESD 모델
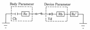
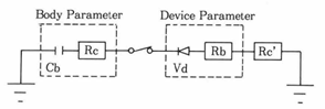
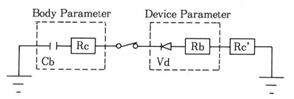
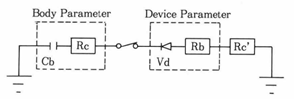
- 인체 모델(Human Body Model)
전하로 충전된 사람의 손이 장치의 lead에 닿았을 때 장치를 통하여 접지로 전하가 방전되면서 손상을 입히는 상황을 모델링한 것으로, 현재 ESD 내성 시험의 시험방법으로 가장 많이 채택하고 있는 모델입니다.

- 기계 모델(Machine Model)
전하로 충전된 금속이 장치에 닿았을 때, 전하가 장치를 통하여 방전하면서 손상을 받게 되는 경우를 모델링한 것으로, 정전하가 축적된 금속은 하나의 커패시터로 표현합니다.

- Device 대전 모델(Charged Device Model)
마찰 등에 의해서 장치의 lead frame에 충전되어 있던 전하가 단자를 통하여 접지로 방전하면서 장치에 손상을 입히는 경우를 모델링한 것입니다.

반응형
'반도체 공정 및 설계 > ASIC 설계' 카테고리의 다른 글
| Vi/Vim 편집 단축키 (2) | 2022.12.15 |
|---|---|
| Jitter (0) | 2022.12.08 |
| Synthesis (합성) [ASIC 설계] (0) | 2022.10.22 |
| 자동 배치 배선 및 기생 성분 추출 [레이아웃 설계] (1) | 2022.10.21 |
| 자동 배치 배선하기 [레이아웃 설계] (0) | 2022.10.21 |